Alkyd Resin Polyester Resin Acrylic Emulsion Mixing Vessel Reactor Production Line

Customization: Available
After-sales Service: for Year Service
Warranty: One Year

Product Description

Basic Specifications

Model NO.
1ton 2ton 5ton 8ton
Condition
New
Customized
Available
Certification
ISO9001, QS
Tank Material
Metal Tank
Type
Tank Container
Storage Objects
Solid, Liquid, Gas
Material
SUS304, SUS316, Carbon Steel
Motor
One Shaft/Two Shaft Gear Box
Heating
Oil/Water Heating with Coil Pipe
Guarantee
One Year
Production Capacity
200 set/Month

Product Overview

The reactor offers significant advantages, including high-temperature resistance, corrosion resistance, and robust production capacity. It is an essential component for various industrial processes including hydrolysis, neutralization, crystallization, and more.

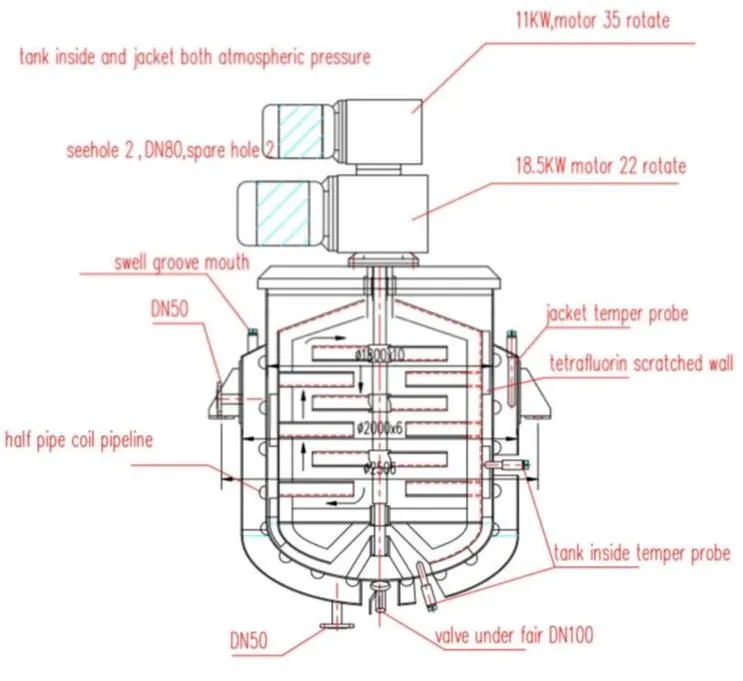
Structural Composition

The reaction vessel is composed of several key parts:

  • Pot body and cover connected by sealing flange
  • Stirrer (Anchor, Frame, Paddle, Turbine, or Scraper types)
  • Heating jacket (Jacket, half pipe, coil, or Miller plate)
  • Supporting and driving devices
  • Pressure-resistant sanitary mechanical shaft sealing device

Applications

Widely utilized in chemical, food, coating, medicine, and petrochemical industries for:

Reaction, Evaporation, Synthesis, Polymerization, Saponification, Sulfonation, Chlorination, and Nitrification.

Technical Requirements

To provide an accurate design, please confirm the following details:

  • Working Volume and Capacity
  • Working Temperature and Pressure requirements
  • Material preference (Carbon Steel, SUS304, or SUS316)
  • Heating or Cooling needs
  • Vacuum requirements (for bubble removal during mixing)
  • Mixing type (Paddle or Anchor stirring)

Service & Support

📝 Pre-Sale

Chemical process design, project drawings, and equipment modeling based on specific requests.

🛠️ Production

Regular status reports, quality inspection videos, and full engineering documentation including manuals.

⚙️ After-Sale

Life-long service, free spare parts during warranty, and free technical consulting.

Technical Data (Half-pipe Coil Reactor)

Type Item 500L1000L2000L3000L5000L10000L20000L
Cylinder Size (mm) 900×8001100×12001400×153001600×15001800×20002200×25002800×3000
Actual Capacity (L) 69914003000406666001230024205
Heating Area (m²) 1.72.64.55.87.513.221
Motor Power (kw) 345.57.51118.530

Frequently Asked Questions

1. What materials are used to manufacture the reactor? The inner tank can be made of SUS304, SUS316L, or SUS321 stainless steel. The jacket can be constructed from SUS304 or carbon steel (Q235-B) depending on your process requirements.
2. Can the mixing mechanism be customized for specific materials? Yes, we offer multiple agitator types including anchor, frame, paddle, turbine, scraper, and combined types to meet the unique viscosity and processing needs of different materials.
3. What heating and cooling options are available? We support various heating means such as steam, electric heating, and heat conduction oil. Cooling and heating structures can include jackets, half-pipes, coils, or Miller plates.
4. How is the quality of the reactor ensured during production? We provide a whole-time report on manufacture status, inspection videos for quality checking, and a full set of engineering documents, including test reports and approval certificates.
5. Do you provide installation and training support? Yes, we can arrange engineers to assist with equipment assembly and installation, as well as provide training for workers to ensure proper machine operation.
6. What is the standard guarantee period for the equipment? The reactor comes with a one-year guarantee. During the warranty period, spare parts are provided free of charge, and technical consulting is always free for the life of the equipment.

Related Products