Turnkey Lubricant Engine Lube Oil Grease Blending Production Line (turnkey)

Customization: Available
After-sales Service: for Life After Sale Service
Warranty: One Year

Product Description

Basic Specifications
Model NO.
1-100ton
Condition
New
Customized
Available
Certification
ISO9001, QS
Tank Material
Metal Tank (SUS304, SUS316, Carbon Steel)
Type
Tank Container
Storage Objects
Solid, Liquid, Gas
Motor Type
One Shaft / Two Shaft Gear Box
Heating System
Oil Heating with Coil Pipe, Water Cooling
Guarantee
One Year
Delivery Time
1-2 Months
Payment Terms
30% Deposit, Balance 70% Before Delivery
Production Capacity
200 Sets/Month
HS Code
8419899090
Product Description

Our Turnkey Lubricant Engine Lube Oil Grease Blending Production Line is designed for high efficiency and durability across various industrial applications.

Dilution reactive tank
Blend reactive tank
Additive tank
Cleaning oil tank
Ant-foam tank
Belt type filter
Gear wheel pump
Control cabinet
Refine oil tank
Valves & Flow-meters
Production Line View 1
Production Line View 2
Overview of Reactor

The reactor provides exceptional high-temperature resistance, corrosion resistance, and robust production capacity. It is primarily used for hydrolysis, neutralization, crystallization, distillation, evaporation, and germicidal storage in pharmaceutical, chemical, food, and light industries.

Reactor Overview
Structural Features

The system consists of a pot body, cover, stirrer, heating jacket, supporting/driving device, and shaft sealing device. The pot body and cover are connected via a sealing flange, featuring ports for feeding, observation, temperature/pressure measurement, and safety venting.

  • Materials: Inner tanks crafted from SUS304, SUS316L, or SUS321 with mirror-polished surfaces.
  • Agitators: Options include anchor, frame, paddle, turbine, scraper, or combined types.
  • Sealing: Pressure-resistant sanitary mechanical seals to prevent leakage and pollution.
  • Heating/Cooling: Options for jackets, half-pipes, coils, or Miller plates using steam, electric, or thermal oil heating.
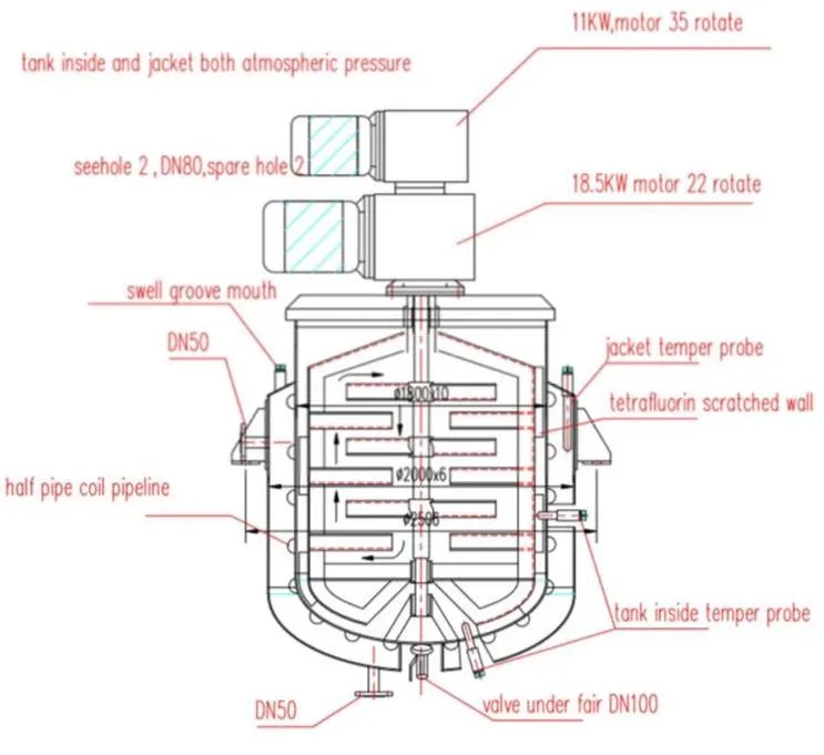
Technical Drawings
Technical Drawing 1
Technical Drawing 2
5Ton Grease Reactive Tank Parameters
No Item Name Specification, Model & Material
1Power Supply440V 60Hz Three-phase
2Volume5000L
3Inner TankØ1800*1760*6mm, SUS304, Mirror Polished
4JacketØ2000*1660*6mm, Q235 Carbon Steel, External Coil Cooling
5Top CoverFlat cover, open design
6Motor PowerPropeller: 11kw / Anchor: 18.5kw
7Rotate SpeedPropeller: 35RPM / Anchor: 22RPM
8Shaft SealPEFT Scattered shaft seal
Frequently Asked Questions
1. What materials are used in the construction of the tanks? The inner tanks are typically made from high-grade stainless steel (SUS304, SUS316L, or SUS321), while jackets can be made from either stainless steel or carbon steel (Q235-B) depending on the process requirements.
2. Can the production line be customized? Yes, we can design and manufacture the reactors according to specific customer requirements, including different mixing types (anchor, paddle, screw), heating methods, and tank capacities from 1 to 100 tons.
3. What heating methods are available for the reactors? The reactors support various heating methods including steam, electric heating, and heat conduction oil, utilizing structures like jackets, half-pipes, or coils.
4. What is the standard warranty and delivery time? We provide a one-year guarantee on our equipment. The typical delivery time for a production line ranges from 1 to 2 months depending on the configuration.
5. Is the equipment suitable for corrosive materials? Yes, our reactors are designed with high temperature and corrosion resistance, making them ideal for chemical industry processes, including acid-resistant and wear-resistant environments.
6. What substances can be stored in these tanks? Our tank containers are versatile and designed to safely store and process solids, liquids, and gases.

Related Products